Objets Graphiques
Introduction aux Objets Graphiques
Principes et objectifs des Objets Graphiques
Le principe est de disposer d’une architecture client-serveur de type Word pour générer à partir d’une structure d’entrée, alimentée par DIALOG, une ou plusieurs images.
Principe général :
Via DIALOG, alimentation d’une liste d’objets graphiques à représenter.
Par une fonction DIALOG, à partir de cette liste, génération de un ou plusieurs dessins.
Exemple concret d’Objet Graphique
Voici une menuiserie composée de la nomenclature suivante. La représentation graphique de cette nomenclature pourra être le dessin en dessous de la nomenclature.

Détail des principes des Objets Graphiques
Il faut bien distinguer deux parties :
La partie extraction des données d’une nomenclature pour alimenter une liste standard ‘WfObjGraD’.
La génération des fichiers à partir de la liste standard ‘WfObjGen’.
La partie extraction va être à normaliser :
Chaque objet de représentation est défini dans un groupe des informations techniques de chaque pointeur.
Sur chaque pointeur, un objet est dit principal, pour positionner les relations entre les différents objets.
L’utilisation de l’arborescence permet de décrire automatiquement les liens entre objets principaux et entre objets.
…
La partie génération va fonctionner à partir des données, en entrée, suivantes :
La liste des objets graphiques.
La liste des fichiers résultats, avec pour chacun :
Le nom du fichier (en absolu ou avec un répertoire défaut).
Son format.
La liste des familles d’objets qui font partie du dessin généré.
…
Paramétrage d’un Objet Graphique
Fonction DIALOG Objet Graphique
Création d’une représentation graphique
La fonction DIALOG utilise une liste standard contenant tous les objets à représenter. C’est cette liste que l’utilisateur doit remplir, à partir des données techniques rattachées à la nomenclature, pour générer une représentation.
La liste standard ‘WfObjGraD’ est constituée des champs ci-dessous :
Référence | Désignation | Type | Obligatoire. Commentaire. |
ObjNumOrd | Numéro d’ordre de création des objets. | Numérique | OUI |
ObjRefObjF | Référence de l’objet courant | Caractère | OUI |
ObjRel | Indique que cet objet est créé par rapport à un autre objet. | Logique | NON |
ObjRefObjP | Référence de l’objet Père. Utile dans le cas où l’on crée des objets en relatif. | Caractère | OUI si le champ ObjRel est à OUI |
ObjTypObj | Type de l’objet | Caractère | ‘REC’ : Rectangle ‘LIG’ : Ligne ‘IMG' : Image ‘TXT’ : Texte ‘BIB’ : Bibliothèque |
ObjRefBib | Référence objet de la bibliothèque | Caractère | |
ObjConBib | Condition Inclusion des Objets. | Caractère | |
ObjConBibExc | Condition Exclusion des Objets. | Caractère | |
ObjConBibFor | Condition d’inclusion des Objets. sous forme de formule. | Caractère | |
ObjPosDebX | Positionnement Début X | Caractère | |
ObjPosDebY | Positionnement Début Y | Caractère | |
ObjPosFinX | Positionnement Fin X’ | Caractère | |
ObjPosFinY | Positionnement Fin Y’ | Caractère | |
ObjHau | Hauteur | Caractère | |
ObjLar | Largeur | Caractère | |
ObjUme | Unité de mesure de l’objet | Caractère | |
ObjPar | Liste des paramètres utilisés dans la description des objets issus de la bibliothèque et dont le séparateur est le point-virgule. | Caractère | |
ObjParVal | Valeur des paramètres définies sous la forme : PAR + ‘.’+ <Référence Paramètre> + ‘=’ + <Valeur Paramètre> et séparés par un point-virgule. | Caractère | |
ObjFam | Référence Famille Objet | Caractère | |
ObjCarRef | Référence Caractéristique | Caractère | |
ObjCar | Liste chaînée des attributs rattachés à l’objet. Remarque : la liste chaînée doit être identique au contenu de la zone ‘Caractéristiques’ de l’onglet ‘caractéristiques objet’ se trouvant sur la définition du détail d’un objet. Forme de la liste chaînée : '#' + <Code_Attribut> + '=' + <Valeur_Attribut> + '#' + … etc | Caractère | Les caractéristiques qui seront gérées : - la couleur du trait - le style du trait - l’épaisseur du trait - un style opaque ou transparent - la police - la taille du texte - le style du texte - … |
ObjCarDimRef | Référence caractéristique de génération | Caractère | |
ObjTxt | Texte rattaché à l’objet | Caractère | |
ObjImg | Référence Image | Caractère | |
ObjCouF | Couleur de fond | Caractère | |
ObjLisFamExc | Liste des références familles à Exclure dont le séparateur est la virgule. | Caractère | |
ObjLisFam | Liste des références familles rattachée à l’objet dont le séparateur est la virgule. | Caractère | |
ObjRotObj | Degré de rotation de l'objet | Numérique |
Paramétrage Objet graphique
Sur chacun des objets élémentaires, il est possible de gérer des caractéristiques de représentation des objets (couleur de trait, de fond, etc.…).
Les caractéristiques de représentation peuvent être gérées :
sur l’objet lui-même sous forme de liste chaînée ('#' + <Code_Attribut> + '=' + <Valeur_Attribut> + '#' + … etc) ou de référence caractéristique de présentation,
sur la famille rattachée à l’objet,
sur le type de l’objet.
Dans DIALOG, il existe une structure permettant de donner les caractéristiques de représentation par rapport à une famille, un type d’objet (Rectangle, Ligne, …) ou bien des caractéristiques générales toutes familles et tous types d’objet confondus.
Cette structure se nomme WfObjPar :
Référence | Désignation | Type | Obligatoire. Commentaire. |
ObjTypPar | Type de paramètre : - ‘*’ : Général - FAM : Caractéristique Famille - OBJ : Caractéristique Objet | Caractère | OUI |
ObjRef | Contient soit la Référence Famille soit le type de l’objet. | Caractère | OUI |
ObjCarRef | Référence caractéristique présentation associée. | Caractère | NON |
ObjCar | Liste des caractéristiques de présentation associée. Forme de la liste chaînée : '#' + <Code_Attribut> + '=' + <Valeur_Attribut> + '#' + … etc | Caractère | NON |
ObjUme | Unité de Mesure | Caractère | NON Utile si l’on gère la caractéristique ‘Marge Cote’ dans la liste des caractéristiques. |
ObjCarDimRef | Référence des caractéristiques dimensionnelles associées. | Caractère | Non géré |
Principe de récupération des caractéristiques de représentation d’un objet élémentaire :
Récupération des caractéristiques paramétrées sur l’objet lui-même sur le champ (WfObjGraD.ObjCar).
Si toutes les caractéristiques de représentation ne sont pas initialisées alors DIAPASON récupère les caractéristiques issues de la référence caractéristiques de représentation paramétrée sur l’objet lui même (WfObjGraD.ObjCarRef).
Si toutes les caractéristiques de représentation ne sont pas initialisées alors DIAPASON regarde si la famille de l’objet est paramétrée dans la structure WfObjPar. Si oui, DIAPASON récupère d’abord le contenu de la liste chaînée (WfObjPar.ObjCar) puis le contenu de la référence caractéristiques de représentation (WfObjPar.ObjCarRef).
Si toutes les caractéristiques de représentation ne sont pas initialisées, DIAPASON regarde si la famille (définie dans les paramètres généraux) de l’objet contient une référence caractéristique. Si oui, DIAPASON récupère le contenu de la référence caractéristique de représentation.
Si toutes les caractéristiques de représentation ne sont pas initialisées, DIAPASON regarde si dans la liste standard WfObjPar l’objet élémentaire (REC,LIG,TXT, …) a été paramétré. Si oui, DIAPASON récupère le contenu de la liste chaînée (WfObjPar.ObjCar) puis le contenu de la référence caractéristique de représentation (WfObjPar.ObjCarRef).
Si toutes les caractéristiques de représentation ne sont pas initialisées, DIAPASON regarde si dans la liste standard WfObjPar des caractéristiques ont été définies tous types d’objet confondus (WfObjPar. ObjTypPar = OBJ ET WfObjPar.ObjRef = ‘*’). Si oui, DIAPASON récupère le contenu de la liste chaînée puis, si toutes les caractéristiques ne sont pas initialisées, le contenu de la référence des caractéristiques.
Si toutes les caractéristiques de représentation ne sont pas initialisées, DIAPASON regarde si dans la liste standard WfObjPar des caractéristiques ont été définies tous types et toutes les familles confondus (WfObjPar. ObjTypPar = ‘*’). Si oui, DIAPASON récupère le contenu de la liste chaînée puis, si toutes les caractéristiques de représentation ne sont pas initialisées, le contenu de la référence caractéristique.
Génération d’une Image
Pour générer une image avec DIALOG, il faut remplir la structure WfObjGen suivante :
Référence | Désignation | Type | Obligatoire. Commentaire. |
ObjRefFic | Nom du fichier à générer. | Caractère | OUI |
ObjForGen | Format de génération. | Caractère | OUI. Si le format de génération est égal à 0 alors le format est déduit du nom du fichier par rapport à son extension. |
ObjLisFam | Liste des familles à inclure lors de la génération dont le séparateur est la virgule. | Caractère | NON |
ObjLisFamExc | Liste des familles à exclure lors de la génération dont le séparateur est la virgule. | Caractère | NON |
ObjDimGen | Dimension de l’image à générer sous la forme Hauteur;Largeur. | Caractère | OUI |
ObjUmeDim | Unité de mesure associée au dimension de génération. | Caractère | NON |
ObjSrvDes | Référence Serveur de génération | Caractère | Soit on renseigne une référence serveur soit une référence imprimante. |
ObjImpDes | Référence Imprimante pour génération. | Caractère | Soit on renseigne une référence serveur soit une référence imprimante. |
ObjCarDimRef | Référence caractéristiques dimensionnelles associée. | Caractère | NON |
Exemple :
CREATION Liste WfObjGen :
PRENDRE WfObjGen ObjRefFic = CLO."TestML.jpg"
PRENDRE WfObjGen ObjDimGen = CLO."15;15"
PRENDRE WfObjGen ObjUmeDim = CLO."CM"
PRENDRE WfObjGen ObjImpDes = CLO."testogr"
FIN_BLOC
Utilisation de la Fonction
La fonction DIALOG « GENERE-IMAGE » utilise les listes :
«WfObjGen» (obligatoire) qui contient les fichiers à générer,
«WfObjGraD» (obligatoire) qui contient tous les objets constituant le dessin,
«WfObjPar» (facultatif) qui contient le paramétrage éventuel.
Exemple :
VLO.VarRetourFct = GENERE-IMAGE( )
Paramétrage du positionnement de l’image
Lors de la génération on place l’image dans le coin haut gauche de la zone de génération « au plus grand ». On effectue ensuite sont positionnement final.
Par défaut le superflu de la zone de génération est rogné. C’est le mode « AJUSTER ».

Il est dorénavant possible de choisir trois nouveaux modes de positionnement (CENTRER, HAUTEUR, LARGEUR).
Mode « CENTRER ».
L’image est centrée dans la zone de génération et cette dernière n’est pas rognée.

Mode « LARGEUR »

La taille de la zone de génération est recalculée par rapport au ratio de l’image à générer. On prend la largeur de génération comme valeur de référence
Mode HAUTEUR

Pour choisir le mode dans la requête, il suffit de créer un enregistrement dans WfObjPar. Le champ WFObjPar.ObjCar devra contenir un des quartes modes décrits ci-dessus. Dans le cas ou le mode choisi n’existe pas c’est le mode « AJUSTER » qui sera utilisé. Dans le cas de générations successives il faudra penser à supprimer ou mettre à jour la valeur du mode. Le mode est commun à toutes les générations lors d’une génération multiple (plusieurs « WFObjGen » pour 1 seul « GENERE-IMAGE ».
Exemple :

La variable local prendra comme valeur le nom du mode souhaité.
Les Différents Types d’Objets Graphiques
Rectangle « REC »
Le type d’objet « REC » permet de représenter un rectangle dans un dessin.
Caractéristiques de positionnement :
ObjPosDebX : Positionnement Début X
ObjPosDebY : Positionnement Début Y
ObjPosFinX : Positionnement Fin X’
ObjPosFinY : Positionnement Fin Y’
ObjHau : Hauteur
ObjLar : Largeur
ObjUme : Unité de mesure de l’objet
Caractéristiques de mise en forme :
ObjCouF : Couleur de fond
Les « ObjCarRef » ou « ObjCar » permettent de définir les caractéristiques suivantes :
Couleur du trait
Style du trait
Epaisseur du trait
Style opaque ou transparent
Exemples de création d’un Objet ‘REC’ dans DIALOG:
CREATION Liste WfObjGraD :
PRENDRE WfObjGraD ObjNumOrd = 10
PRENDRE WfObjGraD ObjRefObjF = ‘R1’
PRENDRE WfObjGraD ObjTypObj = ‘REC’
PRENDRE WfObjGraD ObjPosDebX = ‘10000’
PRENDRE WfObjGraD ObjPosDebY = ‘20000’
PRENDRE WfObjGraD ObjHau = ‘20000’
PRENDRE WfObjGraD ObjLar = ‘40000’
PRENDRE WfObjGraD ObjCar = ‘CouTr=19#StyTr=SOL#EpaTr=2#FonS=OPA’
Ligne « LIG »
Le type d’objet « LIG » permet de représenter une droite dans un dessin.
Caractéristiques de positionnement :
ObjPosDebX : Positionnement Début X
ObjPosDebY : Positionnement Début Y
ObjPosFinX : Positionnement Fin X’
ObjPosFinY : Positionnement Fin Y’
ObjHau : Hauteur
ObjLar : Largeur
ObjUme : Unité de mesure de l’objet
Caractéristiques de mise en forme :
ObjCouF : Couleur de fond
Les « ObjCarRef » ou « ObjCar » permettent de définir les caractéristiques suivantes :
Couleur du trait
Style du trait
Epaisseur du trait
Exemples de création d’un Objet ‘LIG’ dans DIALOG:
CREATION Liste WfObjGraD :
PRENDRE WfObjGraD ObjNumOrd = 10
PRENDRE WfObjGraD ObjRefObjF = ‘L1’
PRENDRE WfObjGraD ObjTypObj = ‘LIG’
PRENDRE WfObjGraD ObjPosDebX = ‘10000’
PRENDRE WfObjGraD ObjPosDebY = ‘20000’
PRENDRE WfObjGraD ObjHau = ‘20000’
PRENDRE WfObjGraD ObjLar = ‘40000’
PRENDRE WfObjGraD ObjCar = ‘CouTr=19#StyTr=SOL#EpaTr=2’
Image « IMG »
Le type d’objet « IMG » permet d’insérer une image dans un dessin.
Caractéristiques de positionnement :
ObjPosDebX : Positionnement Début X
ObjPosDebY : Positionnement Début Y
ObjPosFinX : Positionnement Fin X’
ObjPosFinY : Positionnement Fin Y’
ObjHau : Hauteur
ObjLar : Largeur
ObjUme : Unité de mesure de l’objet
Caractéristiques de mise en forme :
ObjCouF : la couleur de transparence
Les « ObjCarRef » ou « ObjCar » permettent de définir les caractéristiques suivantes :
Couleur du trait
Style du trait
Epaisseur du trait
Style opaque ou transparent
Autre caractéristique :
ObjImg : Référence Image
Exemples de création d’un Objet ‘IMG’ dans DIALOG:
CREATION Liste WfObjGraD :
PRENDRE WfObjGraD ObjNumOrd = 10
PRENDRE WfObjGraD ObjRefObjF = ‘I1’
PRENDRE WfObjGraD ObjTypObj = ‘IMG’
PRENDRE WfObjGraD ObjPosDebX = ‘10000’
PRENDRE WfObjGraD ObjPosDebY = ‘20000’
PRENDRE WfObjGraD ObjHau = ‘20000’
PRENDRE WfObjGraD ObjLar = ‘40000’
PRENDRE WfObjGraD ObjCar = ‘CouTr=19#StyTr=SOL#EpaTr=2#FonS=OPA’
PRENDRE WfObjGraD ObjImg = ‘RefImg’
Texte « TXT »
Le type d’objet « TXT » permet d’insérer une zone de texte dans un dessin.
Caractéristiques de positionnement :
ObjPosDebX : Positionnement Début X
ObjPosDebY : Positionnement Début Y
ObjPosFinX : Positionnement Fin X’
ObjPosFinY : Positionnement Fin Y’
ObjHau : Hauteur
ObjLar : Largeur
ObjUme : Unité de mesure de l’objet
Caractéristique de mise en forme :
ObjCouF : la couleur de fond
Les « ObjCarRef » ou « ObjCar » permettent de définir les caractéristiques suivantes :
Taille Texte
Police Texte
Couleur du trait
Style du trait
Epaisseur du trait
Style opaque ou transparent
Autre caractéristique :
ObjTxt : Texte rattaché à l’objet
Exemples de création d’un Objet ‘TXT’ dans DIALOG:
CREATION Liste WfObjGraD :
PRENDRE WfObjGraD ObjNumOrd = 10
PRENDRE WfObjGraD ObjRefObjF = ‘T1’
PRENDRE WfObjGraD ObjTypObj = ‘TXT’
PRENDRE WfObjGraD ObjPosDebX = ‘10000’
PRENDRE WfObjGraD ObjPosDebY = ‘20000’
PRENDRE WfObjGraD ObjHau = ‘20000’
PRENDRE WfObjGraD ObjLar = ‘40000’
PRENDRE WfObjGraD ObjTxt = ‘Exemple de Texte’
PRENDRE WfObjGraD ObjCar = ‘CouTr=19#StyTr=SOL#FonS=OPA# Tai=12#Pol=Times New Roman#AliHTxt=DRO#AliVTxt=BAS#CouTxt=24#StyTxt=STD’
Exemples de création d’un Objet ‘TXT’ avec un trait autour du texte dans DIALOG:
CREATION Liste WfObjGraD :
PRENDRE WfObjGraD ObjNumOrd = 10
PRENDRE WfObjGraD ObjRefObjF = ‘T1’
PRENDRE WfObjGraD ObjTypObj = ‘TXT’
PRENDRE WfObjGraD ObjPosDebX = ‘10000’
PRENDRE WfObjGraD ObjPosDebY = ‘20000’
PRENDRE WfObjGraD ObjHau = ‘20000’
PRENDRE WfObjGraD ObjLar = ‘40000’
PRENDRE WfObjGraD ObjTxt = ‘Exemple de Texte’
PRENDRE WfObjGraD ObjCar = ‘CouTr=19#StyTr=SOL#FonS=OPA# Tai=12#Pol=Arial#AliHTxt=DRO#AliVTxt=BAS#CouTxt=24#StyTxt=MUL’
Le paramètre StyTxt peut prendre la valeur « MUL » ou « BOX » pour faire afficher un trait autour du texte paramétré dans le champ ObjTxt.
Bibliothèque « BIB »
Le type d’objet « BIB » permet d’insérer un objet de la bibliothèque dans un dessin.
Caractéristiques de positionnement :
ObjPosDebX : Positionnement Début X
ObjPosDebY : Positionnement Début Y
ObjPosFinX : Positionnement Fin X’
ObjPosFinY : Positionnement Fin Y’
ObjHau : Hauteur
ObjLar : Largeur
ObjUme : Unité de mesure de l’objet
Exemples de création d’un Objet ‘BIB’ dans DIALOG:
CREATION Liste WfObjGraD :
PRENDRE WfObjGraD ObjNumOrd = 10
PRENDRE WfObjGraD ObjRefObjF = ‘B1’
PRENDRE WfObjGraD ObjTypObj = ‘BIB’
PRENDRE WfObjGraD ObjRefBib = ‘RefObjBib’
PRENDRE WfObjGraD ObjPosDebX = ‘10000’
PRENDRE WfObjGraD ObjPosDebY = ‘20000’
PRENDRE WfObjGraD ObjHau = ‘20000’
PRENDRE WfObjGraD ObjLar = ‘40000’
Principe de Positionnement des Objets Graphiques
L’axe Utilisé
Dans DIAPASON, le positionnement des objets se fait par rapport à l’axe « Informatique ».
Coordonnées informatiques

Graduation positive de l’axe X de gauche à droite
Graduation positive de l’axe Y de haut en bas
Le point 0,0 est situé en haut à gauche de l’image.
Exemple : positionnement d’un point A (2,4).

Définition des dimensions
Il existe deux manières de positionner et de dimensionner un objet.
Avec les coordonnées de début et de fin de zone.
Les deux points définis par (ObjPosDeb, ObjPosDebY) et (ObjPosFinX,ObjPosFinY) permettent de définir une zone qui détermine la position et la taille de l’objet.
Exemple d’un rectangle R1 et d’une droite L1.
R1 (ObjPosDeb = 1, ObjPosDebY = 2) et (ObjPosFinX = 5, ObjPosFinY = 4)
L1 (ObjPosDeb = 1, ObjPosDebY = 2) et (ObjPosFinX = 5, ObjPosFinY = 4)

Avec les coordonnées de début et la dimension de l’objet (hauteur et largeur).
Dans ce cas on définit les coordonnées de début (ObjPosDeb, ObjPosDebY) puis la hauteur et la largeur de la zone.
Exemple d’un rectangle R1 et d’une droite L1.
R1 (ObjPosDeb = 1, ObjPosDebY = 2) et (Hauteur = 2, Largeur = 4)
L1 (ObjPosDeb = 1, ObjPosDebY = 2) et (Hauteur = 2, Largeur = 4)

Remarque : pour une droite oblique ni la largeur ni la hauteur ne déterminent la longueur réelle de la droite.
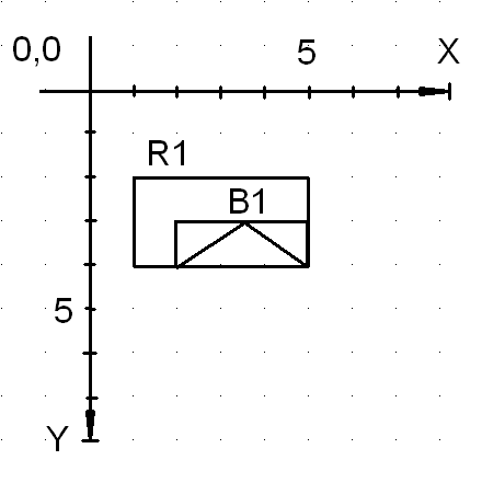
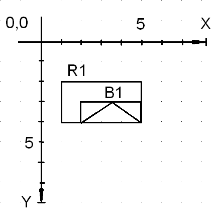
Positionnement en absolu ou en relatif.
Il est possible de définir un objet en relatif par rapport à un autre objet. Dans ce cas le point origine (0,0) de l’objet fils est positionné sur les coordonnées de début de l’objet père (ObjPosDebX, ObjPosDebY).
Le logique « ObjRel » indique si le positionnement se fait en relatif et le champ « ObjRefObjP » donne la référence de l’objet père.
Exemple d’un rectangle R1 père de la droite L1.
R1 (ObjPosDebX = 1, ObjPosDebY = 2) et (Hauteur = 2, Largeur = 4)
L1 (ObjPosDebX = 0, ObjPosDebY = 0) et (Hauteur = 2, Largeur = 4)

Les unités de mesures.
L’unité de mesure est associée aux dimensions de l’objet et de certains attributs de présentation des objets.
Les différentes unités de mesure sont les suivantes :
CMM : Centième de Millimètre
MM : Millimètre
CM : Centimètre
DM : Décimètre
ME : Mètre
Exemples.
Un rectangle.
CREATION Liste WfObjGraD :
PRENDRE WfObjGraD ObjNumOrd = 10
PRENDRE WfObjGraD ObjRefObjF = ‘R1’
PRENDRE WfObjGraD ObjTypObj = ‘R’
PRENDRE WfObjGraD ObjPosDebX = ‘1’
PRENDRE WfObjGraD ObjPosDebY = ‘2’
PRENDRE WfObjGraD ObjHau = ‘2’
PRENDRE WfObjGraD ObjLar = ‘4’

Une ligne.
CREATION Liste WfObjGraD :
PRENDRE WfObjGraD ObjNumOrd = 10
PRENDRE WfObjGraD ObjRefObjF = ‘L1’
PRENDRE WfObjGraD ObjTypObj = ‘L’
PRENDRE WfObjGraD ObjPosDebX = ‘1’
PRENDRE WfObjGraD ObjPosDebY = ‘2’
PRENDRE WfObjGraD ObjHau = ‘2’
PRENDRE WfObjGraD ObjLar = ‘4’

Un rectangle et une ligne (en absolu).
CREATION Liste WfObjGraD :
PRENDRE WfObjGraD ObjNumOrd = 10
PRENDRE WfObjGraD ObjRefObjF = ‘R1’
PRENDRE WfObjGraD ObjTypObj = ‘R’
PRENDRE WfObjGraD ObjPosDebX = ‘1’
PRENDRE WfObjGraD ObjPosDebY = ‘2’
PRENDRE WfObjGraD ObjHau = ‘2’
PRENDRE WfObjGraD ObjLar = ‘4’
CREATION Liste WfObjGraD :
PRENDRE WfObjGraD ObjNumOrd = 20
PRENDRE WfObjGraD ObjRefObjF = ‘L1’
PRENDRE WfObjGraD ObjTypObj = ‘L’
PRENDRE WfObjGraD ObjPosDebX = ‘1’
PRENDRE WfObjGraD ObjPosDebY = ‘2’
PRENDRE WfObjGraD ObjHau = ‘2’
PRENDRE WfObjGraD ObjLar = ‘4’

Un rectangle et une ligne en relatif par rapport au rectangle.
CREATION Liste WfObjGraD :
PRENDRE WfObjGraD ObjNumOrd = 10
PRENDRE WfObjGraD ObjRefObjF = ‘R1’
PRENDRE WfObjGraD ObjTypObj = ‘R’
PRENDRE WfObjGraD ObjPosDebX = ‘1’
PRENDRE WfObjGraD ObjPosDebY = ‘2’
PRENDRE WfObjGraD ObjHau = ‘2’
PRENDRE WfObjGraD ObjLar = ‘4’
CREATION Liste WfObjGraD :
PRENDRE WfObjGraD ObjNumOrd = 20
PRENDRE WfObjGraD ObjRefObjF = ‘L1’
PRENDRE WfObjGraD ObjTypObj = ‘L’
PRENDRE WfObjGraD ObjRel = YES
PRENDRE WfObjGraD ObjRefObjP = ‘R1’
PRENDRE WfObjGraD ObjPosDebX = ‘0’
PRENDRE WfObjGraD ObjPosDebY = ‘0’
PRENDRE WfObjGraD ObjHau = ‘OBJ.PERE.ObjHau’
PRENDRE WfObjGraD ObjLar = ‘OBJ.PERE.ObjLar’

Un rectangle et un objet de la bibliothèque (en absolu).
CREATION Liste WfObjGraD :
PRENDRE WfObjGraD ObjNumOrd = 10
PRENDRE WfObjGraD ObjRefObjF = ‘R1’
PRENDRE WfObjGraD ObjTypObj = ‘R’
PRENDRE WfObjGraD ObjPosDebX = ‘1’
PRENDRE WfObjGraD ObjPosDebY = ‘2’
PRENDRE WfObjGraD ObjHau = ‘2’
PRENDRE WfObjGraD ObjLar = ‘4’
CREATION Liste WfObjGraD :
PRENDRE WfObjGraD ObjNumOrd = 20
PRENDRE WfObjGraD ObjRefObjF = ‘B1’
PRENDRE WfObjGraD ObjTypObj = ‘B’
PRENDRE WfObjGraD ObjRefBib = ‘RefObjB1’
PRENDRE WfObjGraD ObjPosDebX = ‘2’
PRENDRE WfObjGraD ObjPosDebY = ‘3’
PRENDRE WfObjGraD ObjHau = ‘1’
PRENDRE WfObjGraD ObjLar = ‘3’

Un rectangle et un objet de la bibliothèque en relatif par rapport au rectangle.
CREATION Liste WfObjGraD :
PRENDRE WfObjGraD ObjNumOrd = 10
PRENDRE WfObjGraD ObjRefObjF = ‘R1’
PRENDRE WfObjGraD ObjTypObj = ‘R’
PRENDRE WfObjGraD ObjPosDebX = ‘1’
PRENDRE WfObjGraD ObjPosDebY = ‘2’
PRENDRE WfObjGraD ObjHau = ‘2’
PRENDRE WfObjGraD ObjLar = ‘4’
CREATION Liste WfObjGraD :
PRENDRE WfObjGraD ObjNumOrd = 20
PRENDRE WfObjGraD ObjRefObjF = ‘B1’
PRENDRE WfObjGraD ObjTypObj = ‘B’
PRENDRE WfObjGraD ObjRefBib = ‘RefObjB1’
PRENDRE WfObjGraD ObjRel = YES
PRENDRE WfObjGraD ObjRefObjP = ‘R1’
PRENDRE WfObjGraD ObjPosDebX = ‘1’
PRENDRE WfObjGraD ObjPosDebY = ‘1’
PRENDRE WfObjGraD ObjHau = ‘OBJ.PERE.ObjHau - 1’
PRENDRE WfObjGraD ObjLar = ‘OBJ.PERE.ObjLar - 1’

Paramétrages des Objets Graphiques
Familles Objets Graphiques
Les familles gérées dans la définition des objets sont référencées dans : Paramètres Généraux /Paramètres Utilisateurs/Objets Graphiques/Familles Objets Graphiques (Entité : DAO / Groupe : FAM).
Sur ces familles, il est possible de rattacher (dans le commentaire de 1) une référence caractéristiques de représentation et une référence caractéristiques dimensionnelles défauts sous la forme : CarPre=Référence caractéristique Présentation ; CarDim=Référence caractéristique dimensionnelle.
Polices Objets Graphiques
Les Polices gérées dans la définition des caractéristiques de présentation sont référencées dans : Paramètres Généraux / Paramètres Utilisateurs / Objets Graphiques / Polices Objets Graphiques (Entité : DAO / Groupe : FON).
Images Objets Graphiques
Les références images rattachées à la définition d’un objet sont référencées dans : Paramètres Généraux / Paramètres Utilisateurs / Objets Graphiques / Images Objets Graphiques (Entité : DAO / Groupe : IMG).
Paramètres Objets Graphiques
Les paramètres utilisés dans la définition des objets bibliothèques (dans les coordonnées, dans le texte, …) sont définis dans : Paramètres Généraux / Paramètres Utilisateurs / Objets Graphiques / Paramètres Objets Graphiques (Entité : DAO / Groupe : PAR).
Unités de Mesure Objets
Les Unités de Mesure utilisées dans la définition des objets bibliothèques sont référencées dans : Paramètres Généraux / Paramètres Utilisateurs / Objets Graphiques / Unité de Mesure (Entité : DAO / Groupe : UME).
Définition des courbes par GENERE-IMAGE
Deux types d’objets élémentaires ont été ajoutée à la fonction GENERE-IMAGE pour permettre de dessiner des courbes : Le type « ARC » permettant de dessiner un arc de cercle et le type « ARL » permettant de dessiner un arc d’ellipse.
Arc de cercle « ARC »
Un arc de cercle est une portion de cercle qui devrait donc être définie par un cercle (un centre et un rayon) ainsi qu’un point de départ et d’arrivée.
Exemple d’arc de cercle :



Pour faciliter l’utilisation, la définition d’un objet de type « ARC » se fait avec la définition de deux points A et B et de la taille du rayon du cercle.

L’ensemble des courbes passant entre les points A et B sont les arcs ayant un rayon sur la droite « d ».

Une fois les points « A » « B » et le rayon déterminés, pour obtenir l’une ou l’autre des deux courbes, il suffit d’inverser le positionnement du début de l’arc avec le positionnement de fin de l’arc.
La définition d’un objet de type « ARC » se fait de la même façon que pour les autres objets hormis les caractéristiques de positionnement.
Caractéristiques de positionnement :
ObjPosDebX : Positionnement X du début de l’arc
ObjPosDebY : Positionnement Y du début de l’arc
ObjPosFinX : Positionnement X de la fin de l’arc
ObjPosFinY : Positionnement Y de la fin de l’arc
ObjPosArcDebX : Rayon du cercle
Les autres caractéristiques de mise en forme sont aussi disponibles pour cet objet (Voir objet de type « REC »)
Exemple de création :
CREATION Liste WfObjGraD :
PRENDRE WfObjGraD ObjRefObjF = CLO."ARC1"
PRENDRE WfObjGraD ObjPosDebX = CLO.1
PRENDRE WfObjGraD ObjPosDebY = CLO.1
PRENDRE WfObjGraD ObjPosFinX = CLO.5
PRENDRE WfObjGraD ObjPosFinY = CLO.4
PRENDRE WfObjGraD ObjTypObj = CLO."ARC"
PRENDRE WfObjGraD ObjPosArcDebX = CLO.6
FIN_BLOC
Liste exhaustive de positionnement de la courbe pour deux points A et B selon les valeurs de « PosDeb » et de « PosFin ».
Si Ya < Yb : | |
![]() | ![]() |
Si Ya > Yb | |
![]() | ![]() |
Si Ya = Yb | |
![]() | ![]() |
Si Xa = Xb | |
![]() | ![]() |
Remarque : si le rayon = 0 ou si rayon < [AB] / 2 alors Diapason dessine un demi cercle. |

Arc d’ellipse « ARE »
La notion d’arc d’ellipse est identique à la notion d’arc de cercle mais le positionnement des points A et B se fait sur une ellipse.
Exemple d’arc d’ellipse :
![]() | ![]() | ![]() |
Toutefois la définition de ce type d’objets est plus complexe que pour les objets de type « ARC » car elle demande plus de calcul pour déterminer les paramètres de définition.
Définition de l’ellipse :
Pour définir une ellipse, il faut donner les deux points E1 (début X et début Y) et E2 (Fin X et Fin Y) qui délimitent un quart d’ellipse.

Il y a donc quatre possibilités de définir une même ellipse dans Diapason :
![]() | ![]() |
![]() | ![]() |
Remarque : le point de départ E1 est toujours situé sur l’axe vertical qui coupe l’ellipse en deux.
Caractéristiques de positionnement :
ObjPosDebX : Positionnement X de E1
ObjPosDebY : Positionnement Y de E1
ObjPosFinX : Positionnement X de E2
ObjPosFinY : Positionnement Y de E2
Définition des points A et B de début et de fin:
Une fois l’ellipse définie, il suffit de donner les coordonnées des points de début et de fin de l’arc appartenant à cette ellipse.

Pour obtenir l’arc inverse, il suffit d’inverser les points A et B.

Caractéristiques de positionnement :
ObjPosArcDebX : Positionnement X du début de l’arc
ObjPosArcDebY : Positionnement Y du début de l’arc
ObjPosArcFinX : Positionnement Y de la fin de l’arc
ObjPosArcFinY : Positionnement Y de la fin de l’arc
Remarque : si les positionnement de début et de fin sont omis, Diapason dessine un quart d’ellipse.
![]() | ![]() |
![]() | ![]() |
Remarque sur les SDD et Configurateur Diapason.
L’utilisation des types d’objets « ARC » et « ARE » dans le configurateur ou dans les SDDs est la même que pour la fonction GENERE-IMAGE décrite ci-dessus. Toutefois, elle ne permet de dessiner que des quarts de cercles ou des quarts d’ellipse.
Ainsi l’affectation du champ « ObjPosArcDebX » pour le type « ARC » est sans effet sur le dessin. De même les valeurs des champs ObjPosArcDebX, ObjPosArcDebY, ObjPosArcFinX, ObjPosArcFinY ne sont pas prises en compte par Diapason
Les dessins possibles sont donc les suivants :
![]() | ![]() | ![]() | ![]() |
![]() | ![]() |
![]() | ![]() |
La Bibliothèque d’Objets Graphiques
Les applications de gestion des objets bibliothèques sont accessibles depuis l’explorateur STUDIO dans Dessin Dynamique / Bibliothèques.

L’explorateur est composé :
D’une branche « Modèle Bibliothèque » présentant tous les objets bibliothèques définis,
D’une branche « Détail Modèle Bibliothèque » présentant le détail de tous les objets bibliothèques,
D’une branche « Caractéristiques Objets Graphiques » présentant toutes les caractéristiques de présentation définies,
D’une branche « Caractéristiques Dimensionnelles des Objets Gra. » présentant toutes les références caractéristiques dimensionnelles définies.
Définition d’un Objet Bibliothèque
GFG de définition des Objets Bibliothèques
Onglet ‘Définition’ :

Référence: Référence Objet Bibliothèque.
Désignation: Désignation associée à l’Objet Bibliothèque.
Mot Directeur: Mot directeur associé à l’Objet Bibliothèque.
Commentaire: Commentaire associé à l’Objet Bibliothèque.
Paramètres: Permet de sélectionner les paramètres utilisés dans la définition du détail de l’objet bibliothèques. Ce bouton présente les paramètres définis dans : Paramètres Généraux / Paramètres Utilisateurs / Objets Graphiques / Paramètres Objets Graphiques (Entité : DAO / Groupe : PAR).
Valeurs Défauts: Permet de saisir des valeurs défauts pour chacun des paramètres sélectionnés. Ce bouton lance un tableur initialisé avec les paramètres sélectionnés. Le tableur est constitué de trois colonnes : une pour la référence paramètre, une pour la désignation associée au paramètre et une pour la valeur associée. Les valeurs saisies sont de type caractère.

Caract. Représ.
Permet de sélectionner une référence caractéristique de représentation. Cette référence caractéristique est la référence défaut pour le détail de l’objet c’est à dire que si le détail de l’objet ne possède pas de référence caractéristique, il hérite de cette référence.
Cette zone est munie d’une aide.
Unité Mesure
Permet de sélectionner l’unité de mesure de définition de l’objet bibliothèque. En création cette zone est initialisée avec l’unité de mesure ‘CMM’ (Centième de Millimètre).
Cette zone est munie d’une aide sur les unités de mesure définies sur : Paramètres Généraux / Paramètres Utilisateurs / Objets Graphiques / Unité de Mesure Objets (Entité : DAO / Groupe : UME).
Onglet ‘Caractéristiques Génération’ :
Cet onglet sert au paramétrage d’un test de génération de l’objet bibliothèque. Le test permet de visualiser si l’objet bibliothèque est bien paramétré.

Coordonnées Déb. X : Permet de donner la coordonnée X de début de l’Objet.
Coordonnées Déb. Y: Permet de donner la coordonnée Y de début de l’Objet.
Largeur: Permet de donner la Largeur de l’Objet
Hauteur: Permet de donner la Hauteur de l’Objet.
Cond. Inclusion Prés.
Contient la liste des valeurs comparées à la zone « Cond. Inclusion Prés. » de l’objet père.
Si cette liste contient un élément de l’objet père, la condition est vérifiée et l’objet est affiché.
Si cette zone est vide la condition d’inclusion est considérée comme vrai et l’objet est affiché.
Le séparateur de cette liste est la virgule.
Remarque : Pour être pris en compte, un objet doit vérifier : (condition inclusion = vrai) et (condition exclusion = faux) et (condition formule = vrai).
Cond. Exclusion Prés.
Contient la liste des valeurs comparées à la zone « Cond. Inclusion Prés. » de l’objet père.
Si cette liste contient un élément de l’objet père, la condition est vérifiée et l’objet n’est pas affiché.
Si cette zone est vide la condition d’exclusion est considérée comme fausse et l’objet est affiché.
Le séparateur de cette liste est la virgule.
Remarque : Pour être pris en compte, un objet doit vérifier : (condition inclusion = vrai) et (condition exclusion = faux) et (condition formule = vrai).
Cond. Formule Prés.
Contient la condition d’affichage de l’objet. L’objet est affiché si la condition est vérifiée.
Si cette zone est vide la condition d’inclusion est considérée comme vrai et l’objet est affiché.
Exemple : « PAR.HautBVR > 500 AND PAR.TexManDroi <> '-' »
Remarque : Pour être pris en compte, un objet doit vérifier : (condition inclusion = vrai) et (condition exclusion = faux) et (condition formule = vrai).
Fam. Inclues Génération
Permet d’indiquer les familles d’objet (ces familles sont renseignées sur les objets constituant le détail de l’objet bibliothèque) à inclure lors de la génération de l’image.
Cette zone est munie d’une aide permettant de visualiser les familles d’objets existantes (cette aide ne possède pas de validation)
Le séparateur de cette liste est la virgule.
Fam. Exclues Génération
Permet d’indiquer les familles d’objet (ces familles sont renseignées sur les objets constituant le détail de l’objet bibliothèque) à exclure lors de la génération de l’image.
Cette zone est munie d’une aide permettant de visualiser les familles d’objets existantes (cette aide ne possède pas de validation)
Le séparateur de cette liste est la virgule.
Val. Par. Génération
Permet de saisir les valeurs des paramètres pour la génération de l’image. Ce bouton lance un tableur initialisé avec les paramètres sélectionnés. Le tableur est constitué de trois colonnes : une pour la référence paramètre, une pour la désignation associée au paramètre et une pour la valeur associée. Les valeurs saisies sont de type caractère.
Si l’on ne renseigne pas de valeur pour les paramètres à ce niveau, la génération va utiliser les valeurs défauts saisies.
Caract. Dimens.
Cette zone permet de saisir une référence de caractéristiques dimensionnelles. Ces caractéristiques sont appliquées lors de la génération de l’image.
Cette zone est munie d’une aide.
Onglet ‘Caractéristiques Fichier’ :

Nom Fichier: Permet d’indiquer le nom du fichier à générer.
Serveur Windows: Permet d’indiquer le serveur Windows qui va servir à la génération de l’image. Cette zone est munie d’une aide présentant tous les serveurs définis sur DIAPASON.
Format Fichier: Permet d’indiquer le format de génération du fichier. Par défaut, cette zone est initialisée avec ‘0’ qui est le format défaut DIAPASON c’est à dire que dans ce cas DIAPASON déduit automatiquement le format du fichier avec l’extension du nom de fichier (Exemple : avec le format ‘0’, il faut mettre dans la référence du fichier l’extension ‘fichier.jpg’ et DIAPASON déduit automatiquement que le format du fichier à générer est ‘JPG’).
Cette zone est munie d’une aide présentant tous les formats de fichier possibles.
Largeur Fichier: Permet de renseigner la largeur réelle du fichier à générer.
Hauteur Fichier: Permet de renseigner la hauteur réelle du fichier à générer.
Unité de Mesure: Permet de donner l’unité de mesure liée à la largeur et hauteur du fichier. Cette zone est munie d’une aide présentant les unités de mesure définies dans Paramètres Généraux / Paramètres Utilisateurs / Objets Graphiques / Unité de Mesure Objets (Entité : DAO / Groupe : UME).
Onglet ‘Visu. Fichier Généré’ :
Cette onglet permet de visualiser le fichier généré.

Onglet ‘Qui, Quand’ :

Cet onglet présente les informations standards de gestion plus la date, heure et utilisateur de génération du fichier ainsi que le chemin complet du fichier généré.
Sur cette application, les actions possibles sont :
Actions standards GFG : Création, Modification, Duplication, Suppression
Action Détail Objet Bibliothèque : Cette action permet de lancer la GFG de définition du détail de l’objet bibliothèque courant.
Action de Génération Objet Bibliothèque : Permet de lancer la génération de l’objet bibliothèque avec les différents paramètres renseignés dans la définition de l’objet bibliothèque.
Définition du détail d’un Objet Bibliothèque
GFG de définition du Détail des Objets Bibliothèque
Cette application permet de définir le détail d’un objet bibliothèque.
Onglet ‘Définition’ :

Référence Bib.: Référence de l’objet bibliothèque liée à la définition du détail. Cette zone est initialisée par la référence objet bibliothèque si cette application est lancée depuis l’action ‘Détail Objet Bibliothèque’ se trouvant sur l’application de définition d’un objet graphique. Zone munie d’une aide si saisissable.
Référence Objet: Référence Objet constituant le détail de l’objet bibliothèque.
Désignation: Désignation associée à l’Objet constituant le détail de l’objet bibliothèque.
Mot Directeur: Mot directeur associé à l’Objet.
Famille Objet: Référence Famille associée à l’Objet. Cette zone est munie d’une aide présentant les familles dans Paramètres Généraux Paramètres Utilisateurs Objets Graphiques Familles Objets Graphiques (Entité : DAO / Groupe : FAM). Sur la définition d’une famille, il est possible de donner une référence caractéristique de représentation et une référence caractéristique dimensionnelle défaut pour la famille.
Commentaire: Commentaire associé à l’Objet.
Onglet ‘Détail Objet’ :

Num. Ordre: Numéro d’ordre de création des objets lors de la génération du dessin. Cette notion d’ordre est importante lors de l’empilement des objets.
Type Objet: Cette zone indique le type de l’objet à créer. Elle est munie d’une liste déroulante présentant les différents types d’objets élémentaires gérés par DIAPASON.
Cond. Inclusion Prés.: Contient la liste des valeurs comparées à la zone « Cond. Inclusion Prés. » de l’objet père.
Si cette liste contient un élément de l’objet père, la condition est vérifiée et l’objet est affiché.
Si cette zone est vide la condition d’inclusion est considérée comme vrai et l’objet est affiché.
Remarque : Pour être pris en compte, un objet doit vérifier : (condition inclusion = vrai) et (condition exclusion = faux) et (condition formule = vrai).
Cond. Exclusion Prés.: Contient la liste des valeurs comparées à la zone « Cond. Inclusion Prés. » de l’objet père.
Si cette liste contient un élément de l’objet père, la condition est vérifiée et l’objet n’est pas affiché.
Si cette zone est vide la condition d’exclusion est considérée comme fausse et l’objet est affiché.
Remarque : Pour être pris en compte, un objet doit vérifier : (condition inclusion = vrai) et (condition exclusion = faux) et (condition formule = vrai).
Cond. Formule Prés.: Contient la condition d’affichage de l’objet. L’objet est affiché si la condition est vérifiée.
Si cette zone est vide la condition d’inclusion est considérée comme vraie et l’objet est affiché.
Exemple : « PAR.HautBVR > 500 AND PAR.TexManDroi <> '-' »
Remarque : Pour être pris en compte, un objet doit vérifier : (condition inclusion = vrai) et (condition exclusion = faux) et (condition formule = vrai).
Réf. Obj. Bib.
Zone permettant de saisir la référence d’un objet bibliothèque dans le cas ou le type de l’objet est égal à ‘BIB’.
Zone munie d’une aide présentant toutes les références bibliothèques existantes dans DIAPASON.
Règle OML: Zone permettant de sélectionner une requête REB pour piloter les caractéristiques de l’objet graphiques. Cette requête doit alimenter la liste WfObjDetSor.
Paramètres Biblio.: Permet de donner les valeurs de paramètres lors de l’intégration d’un objet bibliothèque sous la forme : PAR + ‘.’+ Référence Paramètre + ‘=’ + Valeur Paramètre. Si plusieurs paramètres le séparateur des différentes valeurs de paramètre est le ‘;’ (exemple : PAR.Par1=1;Par.Par2=2).
Relatif: Permet d’indiquer si la définition des coordonnées est faite par rapport à un autre objet. Indique si l’on souhaite utiliser la notion de relativité ou la notion d’absolue.
Réf. Obj. Père: Cette zone permet de renseigner la référence de l’objet père dans le cas ou l’on souhaite créer l’objet en relatif par rapport à un autre objet. Cette zone est active que si la zone ‘Relatif’ est cochée à OUI. Zone munie d’une aide présentant tous les objets déjà créés dans le détail de l’objet bibliothèque courant.
Coordonnées Déb. X: Cette zone permet de donner les coordonnées de début X de l’objet. On peut saisir la coordonnée soit avec sa vraie valeur (exemple : 1000) soit avec une formule (OBJ.PERE.ObjPosDebX).
Au niveau des formules, il est possible de récupérer les données d’un autre objet en mettant : OBJ + ‘.’ + Référence Objet + ‘.’ + ObjPosDebX ou ObjPosDebY ou ObjPosFinX ou ObjPosFinY ou ObjLar ou ObjHau.
La référence Objet = PERE permet de récupérer les coordonnées du Père lors de l’intégration de l’objet bibliothèque.
Exemple :
Dans le cas DIALOG, intégration d’un objet bibliothèque:
CREATION Liste WfObjGraD :
PRENDRE WfObjGraD ObjNumOrd = 10
PRENDRE WfObjGraD ObjRefObjF = ‘B1’
PRENDRE WfObjGraD ObjTypObj = ‘BIB’
PRENDRE WfObjGraD ObjRefBib = ‘RefObjBib’
PRENDRE WfObjGraD ObjPosDebX = ‘10000’
PRENDRE WfObjGraD ObjPosDebY = ‘20000’
PRENDRE WfObjGraD ObjHau = ‘20000’
PRENDRE WfObjGraD ObjLar = ‘40000’
Dans cet exemple, le fait de mettre dans la zone OBJ.PERE.ObjPosDebX permet de récupérer ‘10000’.
Dans le cas de l’action de ‘Génération objet Bibliothèque’, se trouvant sur l’entête bibliothèque, le fait de mettre OBJ.PERE.ObjPosDebX DIAPASON récupère la valeur contenue dans la zone ‘Coordonnées Déb. X’ (Onglet ‘Caractéristiques génération’) de l’application de définition entête bibliothèque.
Coordonnées Déb. Y: Cette zone permet de donner les coordonnées de début Y de l’objet. On peut saisir la coordonnée soit avec sa vraie valeur (exemple : 1000) soit avec une formule (OBJ.PERE.ObjPosDebY).
Au niveau des formules, il est possible de récupérer les données d’un autre objet en mettant : OBJ + ‘.’ + Référence Objet + ‘.’ + ObjPosDebX ou ObjPosDebY ou ObjPosFinX ou ObjPosFinY ou ObjLar ou ObjHau.
La référence Objet = PERE permet de récupérer les coordonnées du Père lors de l’intégration de l’objet bibliothèque.
Exemple :
Dans le cas DIALOG, intégration d’un objet bibliothèque:
CREATION Liste WfObjGraD :
PRENDRE WfObjGraD ObjNumOrd = 10
PRENDRE WfObjGraD ObjRefObjF = ‘B1’
PRENDRE WfObjGraD ObjTypObj = ‘BIB’
PRENDRE WfObjGraD ObjRefBib = ‘RefObjBib’
PRENDRE WfObjGraD ObjPosDebX = ‘10000’
PRENDRE WfObjGraD ObjPosDebY = ‘20000’
PRENDRE WfObjGraD ObjHau = ‘20000’
PRENDRE WfObjGraD ObjLar = ‘40000’
Dans cet exemple, le fait de mettre dans la zone OBJ.PERE.ObjPosDebY permet de récupérer ‘20000’.
Dans le cas de l’action de ‘Génération objet Bibliothèque’, se trouvant sur l’entête bibliothèque, le fait de mettre OBJ.PERE.ObjPosDebY DIAPASON récupère la valeur contenue dans la zone ‘Coordonnées Déb. Y’ (Onglet ‘Caractéristiques génération’) de l’application de définition entête bibliothèque.
Coordonnées Fin X: Cette zone permet de donner les coordonnées de fin X de l’objet. On peut saisir la coordonnée soit avec sa vraie valeur (exemple : 1000) soit avec une formule (OBJ.PERE.ObjPosFinX).
Au niveau des formules, il est possible de récupérer les données d’un autre objet en mettant : OBJ + ‘.’ + Référence Objet + ‘.’ + ObjPosDebX ou ObjPosDebY ou ObjPosFinX ou ObjPosFinY ou ObjLar ou ObjHau.
La référence Objet = PERE permet de récupérer les coordonnées du Père lors de l’intégration de l’objet bibliothèque.
Coordonnées Fin Y: Cette zone permet de donner les coordonnées de fin Y de l’objet. On peut saisir la coordonnée soit avec sa vraie valeur (exemple : 1000) soit avec une formule (OBJ.PERE.ObjPosFinY).
Au niveau des formules, il est possible de récupérer les données d’un autre objet en mettant : OBJ + ‘.’ + Référence Objet + ‘.’ + ObjPosDebX ou ObjPosDebY ou ObjPosFinX ou ObjPosFinY ou ObjLar ou ObjHau.
La référence Objet = PERE permet de récupérer les coordonnées du Père lors de l’intégration de l’objet bibliothèque.
Largeur: Cette zone permet de donner la largeur de l’objet. On peut donner la largeur soit avec sa vraie valeur (exemple : 1000) soit avec une formule (OBJ.PERE.ObjLar).
Au niveau des formules, il est possible de récupérer les données d’un autre objet en mettant : OBJ + ‘.’ + Référence Objet + ‘.’ + ObjPosDebX ou ObjPosDebY ou ObjPosFinX ou ObjPosFinY ou ObjLar ou ObjHau.
La référence Objet = PERE permet de récupérer les coordonnées du Père lors de l’intégration de l’objet bibliothèque.
Exemple :
Dans le cas DIALOG, intégration d’un objet bibliothèque:
CREATION Liste WfObjGraD :
PRENDRE WfObjGraD ObjNumOrd = 10
PRENDRE WfObjGraD ObjRefObjF = ‘B1’
PRENDRE WfObjGraD ObjTypObj = ‘BIB’
PRENDRE WfObjGraD ObjRefBib = ‘RefObjBib’
PRENDRE WfObjGraD ObjPosDebX = ‘10000’
PRENDRE WfObjGraD ObjPosDebY = ‘20000’
PRENDRE WfObjGraD ObjHau = ‘20000’
PRENDRE WfObjGraD ObjLar = ‘40000’
Dans cet exemple, le fait de mettre dans la zone OBJ.PERE.ObjLar permet de récupérer ‘40000’.
Dans le cas de l’action de ‘Génération objet Bibliothèque’, se trouvant sur l’entête bibliothèque, le fait de mettre OBJ.PERE.ObjLar DIAPASON récupère la valeur contenue dans la zone ‘Largeur’ (Onglet ‘Caractéristiques génération’) de l’application de définition entête bibliothèque.
Hauteur: Cette zone permet de donner la hauteur de l’objet. On peut donner la hauteur soit avec sa vraie valeur (exemple : 1000) soit avec une formule (OBJ.PERE.ObjHau).
Au niveau des formules, il est possible de récupérer les données d’un autre objet en mettant : OBJ + ‘.’ + Référence Objet + ‘.’ + ObjPosDebX ou ObjPosDebY ou ObjPosFinX ou ObjPosFinY ou ObjLar ou ObjHau.
La référence Objet = PERE permet de récupérer les coordonnées du Père lors de l’intégration de l’objet bibliothèque.
Exemple :
Dans le cas DIALOG, intégration d’un objet bibliothèque:
CREATION Liste WfObjGraD :
PRENDRE WfObjGraD ObjNumOrd = 10
PRENDRE WfObjGraD ObjRefObjF = ‘B1’
PRENDRE WfObjGraD ObjTypObj = ‘BIB’
PRENDRE WfObjGraD ObjRefBib = ‘RefObjBib’
PRENDRE WfObjGraD ObjPosDebX = ‘10000’
PRENDRE WfObjGraD ObjPosDebY = ‘20000’
PRENDRE WfObjGraD ObjHau = ‘20000’
PRENDRE WfObjGraD ObjLar = ‘40000’
Dans cet exemple, le fait de mettre dans la zone OBJ.PERE.ObjHau permet de récupérer ‘20000’.
Dans le cas de l’action de ‘Génération objet Bibliothèque’, se trouvant sur l’entête bibliothèque, le fait de mettre OBJ.PERE.ObjHau DIAPASON récupère la valeur contenue dans la zone ‘hauteur’ (Onglet ‘Caractéristiques génération’) de l’application de définition entête bibliothèque.
Onglet ‘Caractéristiques Objet’ :

Caract. Dimens.: Permet de donner une référence caractéristiques dimensionnelles à l’objet. Ces caractéristiques sont appliquées lors de la génération de l’image. Cette zone est munie d’une aide.
Caract. Représ.: Permet de donner une référence caractéristique de Représentation à l’objet. Cette zone est munie d’une aide. La référence caractéristique peut être donnée sous forme de paramètre : PAR +’.’+ Référence Paramètre.
Caractéristiques: Cette zone est en consultation. Elle présente la liste chaînée des caractéristiques de présentation saisie sur les deux onglets suivants (Détail Caractéristiques 1 et Détail Caractéristiques 2) sous la forme '#' + <Code_Attribut> + '=' + <Valeur_Attribut> + '#' + … etc.
Texte: Permet de saisir le texte rattaché à l’objet. Il est possible d’utiliser dans cette zone des valeurs de paramètres sous la forme : PAR + ‘.’ + référence paramètre.
Exemple : la zone texte peut être égale à : Hauteur Poignée égale à PAR.HauPoi
Rotation Objet: Permet de saisir le degré de rotation d’un objet.
Image: Permet de saisir une référence image à rattacher à l’objet. Cette zone est munie d’une aide présentant les images stockées dans Paramètres Généraux / Paramètres Utilisateurs / Objets Graphiques / Images Objets Graphiques (Entité : DAO / Groupe : IMG).
L’image peut être donnée sous forme de paramètre : PAR +’.’+ Référence Paramètre.
Couleur de Fond
Permet de saisir une couleur de fond pour l’objet.
La couleur de fond peut être donnée sous forme de paramètre : PAR +’.’+ Référence Paramètre.
Fam. Génération
Permet de sélectionner les familles de génération rattachées à l’objet. Ces familles seront utilisées lors de la génération de l’image. Sert à faire des filtres d’objet lors de la génération des images d’un objet bibliothèque.
Le bouton présente les familles stockées dans Paramètres Généraux / Paramètres Utilisateurs / Objets Graphiques / Familles Objets Graphiques (Entité : DAO / Groupe : FAM).
Onglet ‘Détail Caractéristiques 1’ :

Couleur Trait: Permet de sélectionner la couleur du trait de l’objet.
Style Trait: Permet de sélectionner le style du trait de l’objet. Les styles gérés par DIAPASON sont :
PTL Trait en Pointillé
SOL Trait Plein
TIR Trait avec Tiré
Epaisseur Trait: Permet de donner l’épaisseur du trait de l’objet.
Extrémité Trait: Permet de donner le style de l’extrémité d’un trait. Les styles d’extrémité gérés par DIAPASON sont :
ELL Ellipse
FIL Triangle
OPE Flèche Ouverte
REC Rectangle
STE Flèche Fermée
Position Extrémité: Cette zone permet de donner le positionnement de l’extrémité du trait : soit au début du trait, en fin de trait ou les deux.
Style Fond : Style de Fond de l’objet : un fond transparent (on peut visualiser les objets se trouvant derrière cet objet) ou Opaque (on ne visualise pas les objets se trouvant derrière cet objet).
Couleur Fond: Couleur de Fond de l’objet.
Onglet ‘Détail Caractéristiques 2’ :

Couleur Texte: Permet de donner la couleur du texte de l’objet
Taille Texte: Permet de donner la taille de la police
Police Texte: Permet de donner la police du texte rattaché à l’objet. Cette zone est munie d’une aide présentant les Polices stockées dans Paramètres Généraux / Paramètres Utilisateurs / Objets Graphiques / Polices Objets Graphiques (Entité : DAO / Groupe : FON).
Style Texte: Style du texte.
Alig. Horiz. Texte: Alignement du texte par rapport à l’axe Y. Les alignements possibles sont :
CEN Alignement Centré
DRO Alignement à Droite
GAU Alignement à Gauche
Alig. Vert. Texte: Alignement du texte par rapport à l’axe X. Les alignements possibles sont :
CEN Alignement Centré
DRO Alignement à Droite
GAU Alignement à Gauche
Position Par Dessus: Ce logique permet d’indiquer que le texte sera situé au dessus de tous les objets de la bibliothèque.
Position Cote: Permet de donner le positionnement de la ou des côtes par rapport à l’objet.
Marge Bas/Haut: Permet d’indiquer la marge se trouvant entre les côtes positionnées en haut et en bas de l’objet.
Marge Droite/Gauche: Permet d’indiquer la marge se trouvant entre les côtes positionnées à droite et à gauche de l’objet.
Texte Cote: Permet de donner le texte lié à la ou les côtes. Pour intégrer la dimension et l’unité de mesure dans le texte, il faut mettre &1 pour la dimension et &2 pour l’unité de mesure.
Onglet ‘Qui, Quand ?’ :

Cet onglet présente les informations standards de gestion.
Sur cette application, les actions possibles sont :
Actions standards GFG : Création, Modification, Duplication, Suppression
Définition des Caractéristiques Objets
Définition des Caractéristiques de Représentation
Les caractéristiques de présentation permettent de piloter des attributs de couleur, d’épaisseur, de style de chacun des objets élémentaires gérés par DIAPASON.
Les références caractéristiques de représentation peuvent être intégrées :
sur l’entête de l’objet bibliothèque
sur la définition de chacun des objets élémentaires
sur les références familles sous la forme : CarPre=Référence caractéristique
dans la structure WfObjPar pour DIALOG
GFG de définition Caractéristiques de Présentation Objets
Onglet ‘Définition’ :

Référence: Référence de la caractéristique de représentation.
Désignation: Désignation associée à la caractéristique de représentation.
Mot Directeur: Mot Directeur associé à la caractéristique de représentation.
Commentaire: Commentaire associé à la caractéristique de représentation.
Unité de Mesure: Unité de Mesure associée à la définition des caractéristiques de représentation. Cette unité de mesure est prise en compte pour les caractéristiques suivantes :
Marge Bas/Haut
Marge Droite/Gauche.
Cette zone est munie d’une aide présentant les Unités de Mesure stockées dans Paramètres Généraux / Paramètres Utilisateurs / Objets Graphiques / Unité de Mesure Objets (Entité : DAO / Groupe : UME).
Onglet ‘Caractéristiques 1’ :

Couleur Trait: Permet de sélectionner la couleur du trait de l’objet.
Style Trait: Permet de sélectionner le style du trait de l’objet. Les styles gérés par DIAPASON sont :
PTL Trait en Pointillé
SOL Trait plein
TIR Trait avec Tiré
Epaisseur Trait: Permet de donner l’épaisseur du trait de l’objet.
Extrémité Trait: Permet de donner le style de l’extrémité d’un trait. Les styles d’extrémité gérés par DIAPASON sont :
ELL Ellipse
FIL Triangle
OPE Flèche Ouverte
REC Rectangle
STE Flèche Fermée
Position Extrémité: Cette zone permet de donner le positionnement de l’extrémité du trait : soit au début du trait, en fin de trait ou les deux.
Style Fond : Style de fond de l’objet : un fond transparent (on peut visualiser les objets se trouvant derrière cet objet) ou Opaque (on ne visualise pas les objets se trouvant derrière cet objet).
Couleur Fond: Couleur de fond de l’objet.
Onglet ‘Caractéristiques 2’ :

Couleur Texte: Permet de donner la couleur du texte de l’objet
Taille Texte: Permet de donner la taille de la police
Police Texte: Permet de donner la police du texte rattachée à l’objet. Cette zone est munie d’une aide présentant les Polices stockées dans Paramètres Généraux / Paramètres Utilisateurs / Objets Graphiques / Polices Objets Graphiques (Entité : DAO / Groupe : FON).
Style Texte: Style du texte.
Alig. Horiz. Texte: Alignement du texte par rapport à l’axe Y. Les alignements possibles sont :
CEN Alignement Centré
DRO Alignement à Droite
GAU Alignement à Gauche
Alig. Vert. Texte: Alignement du texte par rapport à l’axe X. Les alignements possibles sont :
CEN Alignement Centré
DRO Alignement à Droite
GAU Alignement à Gauche
Position Par Dessus: Ce logique permet d’indiquer que le texte sera situé au dessus de tous les objets de la bibliothèque.
Position Cote: Permet de donner le positionnement de la ou des côtes par rapport à l’objet.
Marge Bas/Haut: Permet d’indiquer la marge se trouvant entre les côtes positionnées en haut et en bas de l’objet.
Marge Droite/Gauche: Permet d’indiquer la marge se trouvant entre les côtes positionnées à droite et à gauche de l’objet.
Texte Cote: Permet de donner le texte lié à la ou les côtes. Pour intégrer la dimension et l’unité de mesure dans le texte, il faut mettre &1 pour la dimension et &2 pour l’unité de mesure.
Onglet ‘Caractéristiques Grille’

Couleur Grille: Bouton permettant de sélectionner la couleur à appliquer sur la grille.
Style Grille: Liste déroulante permettant de sélectionner un style de grille parmi ceux définis dans DIAPASON

Epaisseur Grille: Nombre entier permettant d’agir sur l’épaisseur de tarit de la grille.
Onglet ‘Qui, Quand ?’ :

Cet onglet présente les informations standards de gestion.
Définition des Caractéristiques Dimensionnelles
Les caractéristiques dimensionnelles permettent de redimensionner l’épaisseur des traits, la taille des textes et les marges des côtes suivant les dimensions de sortie de l’image lors de la génération.
Les références caractéristiques dimensionnelles peuvent être intégrées :
sur l’entête de l’objet bibliothèque pour l’action de génération objet bibliothèque
sur la définition de chacun des objets élémentaires
sur les références familles sous la forme : CarDim=Référence caractéristique (non géré)
dans la structure WfObjPar pour DIALOG (non géré)
dans la structure WfObjGen pour DIALOG.
Dans la structure WfObjDetSor pour DIALOG
Dans la Structure WfObjGraD pour DIALOG.
Une référence caractéristique dimensionnelle est constituée d’une entête et d’un détail.
Le principe de récupération des caractéristiques dimensionnelles par rapport aux dimensions de génération sont les dimensions les plus proches inférieures.
Exemple : si on définit une référence ‘CarDim1’ caractéristique dimensionnelle composée des dimensions 5*5 et 10*10.
Si l’on génère une image 15*15 avec ‘CarDim1’ alors on récupère les caractéristiques liées aux dimensions 10*10.
Si l’on génère une image 9*10 avec ‘CarDim1’ alors on récupère les caractéristiques liées aux dimensions 5*5.
Définition de l’entête Caractéristiques Dimensionnelles
GFG de définition Caractéristiques Dimensionnelles
Onglet ‘Définition’ :

Référence: Référence de la caractéristique dimensionnelle.
Désignation: Désignation associée à la caractéristique dimensionnelle.
Mot Directeur: Mot Directeur associé à la caractéristique dimensionnelle.
Commentaire: Commentaire associé à la caractéristique dimensionnelle.
Unité de Mesure: Unité de Mesure associée à la définition des caractéristiques de représentation. Cette unité de mesure est prise en compte pour les caractéristiques suivantes :
Marge Bas/Haut
Marge Droite/Gauche.
Cette zone est munie d’une aide présentant les Unités de Mesure stockées dans Paramètres Généraux / Paramètres Utilisateurs / Objets Graphiques / Unité de Mesure Objets (Entité : DAO / Groupe : UME).
Onglet ‘Qui, Quand ?’ :

Cet onglet présente les informations standards de gestion.
Sur cette application, les actions possibles sont :
Actions standards GFG : Création, Modification, Duplication, Suppression
Action Détail Caractéristiques Dimensionnelles : Cette action permet de lancer la GFG de définition du détail de la référence caractéristique dimensionnelle courant.
Définition du détail Caractéristiques Dimensionnelles
GFG de définition Caractéristiques Dimensionnelles

Référence: Référence de la caractéristique dimensionnelle. Cette zone est non saisissable.
Hauteur: Hauteur de l’image de sortie.
Largeur: Largeur de l’image de sortie
Epaisseur Trait: Epaisseur du Trait associée à la hauteur et à la largeur de l’image définies ci-dessus.
Taille Texte: Taille du Texte associée à la hauteur et à la largeur de l’image définies ci-dessus.
Marge Bas/Haut: Marge Bas/Haut associée à la hauteur et à la largeur de l’image définies ci-dessus.
Marge Droite/Gauche: Marge Droite/Gauche associée à la hauteur et à la largeur de l’image définies ci-dessus.
Configuration du Serveur d’objets graphiques
Configuration matérielle du serveur
Pour effectuer la configuration matérielle du serveur vous devez vous reporter à la documentation concernant les Serveurs Windows (chapitre Gestion des Serveurs de services).
Détail sur les options du serveur d’objets graphiques
Chaque serveur utilisable pour la fonction DIALOG de génération d’images doit disposer des paramètres suivants :

Edition d’Image ? (Obligatoire) Active le service image sur le serveur courant.
Dossier travail (Obligatoire) Répertoire Windows dans lequel sont générés les images.
Dossier Tmp (Obligatoire) Répertoire Windows de travail DIAPASON.
Dossier Traces (Obligatoire) Répertoire Windows de génération des traces.
Niveau Traces Niveau de trace (même principes que pour tout autre type de service d’édition).
Autres paramètres : REPVISFIC Chemin du répertoire Windows pour accéder (depuis un poste client) aux images générées par le serveur d’objets graphiques.
Gestion des traces
Traces sur le serveur Unix
Pour utiliser les traces de la génération d’objets graphiques, mettre à jour le paramètre général utilisateur (PARAM-GEN, PARAMETRES) dont la référence est « TR-ISMLOGR ». La valeur numérique indique le niveau de trace (0 = pas de trace, 6 = trace maximale). Cette trace apparaît dans la trace de la requête utilisant la fonction.
Traces sur le serveur Windows
Trois niveaux de traces sont disponibles pour la génération d’objets graphiques (cas d’un Serveur de Service Diapason – SSD):
0,1,2 : Pas de trace.
3, 4 : On conserve les fichiers traces utilisés lors de la génération uniquement en cas de problèmes.
5 et plus : tous les fichiers (fichier de traces et fichiers de travail) sont conservés
Les entiers utilisés pour paramétrer les niveaux de traces permettent de gérer les traces sur le serveur de service utilisé par tous les types d’éditions.
Annexes
Codification des Caractéristiques d'un Objet Graphique
Caractéristiques | Description | Codification |
Couleur Trait | Couleur du trait de l'objet | CouTr |
Style Trait | Style du trait de l'objet | StyTr |
Epaisseur Trait | Epaisseur du trait de l'objet | EpaTr |
Extrémité Trait | Extrémité d'un trait | SExTr |
Position Extrémité | Positionnement de l'extrémité du trait de l'objet | PExTr |
Style Fond | Style du fond de l'objet | FonS |
Couleur Fond | Couleur du fond de l'objet | CouTra |
Couleur Texte | Couleur du texte de l'objet | CouTxt |
Taille Texte | Taille du texte de l'objet | Tai |
Police Texte | Police liée au texte de l'objet | Pol |
Style Texte | Style du texte de l'objet | StyTxt |
Alig. Horiz. Texte | Alignement du texte par rapport à l'axe Y | AliHTxt |
Alig. Vert. Texte | Alignement du texte par rapport à l'axe X | AliVTxt |
Position Par Dessus | Positionnement de l'objet par-dessus les autres objets | PosPDe |
Position Côte | Positionnement de(s) côte(s) par rapport à l'objet | PosCot |
Marge Bas/Haut | Marge se trouvant entre les côtes haute et basse de l'objet | MarCot |
Marge Droite/Gauche | Marge se trouvant entre les côtes gauche et droite de l'objet | MarCotG |
Texte Côte | Texte lié à la ou aux côtes | TxtCot |
Codification des Couleurs disponibles


Contexte d’exécution de la requête REB de règle OML
Variables | Description |
SCR.ObjAl0Pere | Valeur Alpha 0 Objet Père |
SCR.ObjAl1Pere | Valeur Alpha 1 Objet Père |
SCR.ObjAl2Pere | Valeur Alpha 2 Objet Père |
SCR.ObjAl3Pere | Valeur Alpha 3 Objet Père |
SCR.ObjAl4Pere | Valeur Alpha 4 Objet Père |
SCR.ObjAl5Pere | Valeur Alpha 5 Objet Père |
SCR.ObjAl6Pere | Valeur Alpha 6 Objet Père |
SCR.ObjAl7Pere | Valeur Alpha 7 Objet Père |
SCR.ObjAl8Pere | Valeur Alpha 8 Objet Père |
SCR.ObjAl9Pere | Valeur Alpha 9 Objet Père |
SCR.ObjCle1Pere | Cle1 Objet Père |
SCR.ObjCle2Pere | Cle2 Objet Père |
SCR.ObjCooPolPere | Coord. Objet Père |
SCR.ObjCtxPere | Référence Objet Père sur Ctx |
SCR.ObjDebXPere | X départ Père |
SCR.ObjDebYPere | Y départ Père |
SCR.ObjFinXPere | X final Père |
SCR.ObjFinYPere | Y final Père |
SCR.ObjHauPere | Hauteur Père |
SCR.ObjLarPere | Largeur Père |
SCR.ObjNumPlanPere | Numéro Plan Père |
SCR.ObjParVal | Paramètre Objet |
SCR.ObjRefPere | Référence Objet Père |
SCR.ObjRefPrmPere | Référence Objet Premier Père |
SCR.ObjUmePere | Unité de Mesure Objet Père |
SCR.PAR_CTXEnt | Contexte d’entrée : CFG-DES : cas de la génération en saisie de configuration CFG-IMG : cas de la génération en fin de saisie de configuration GEN : cas de génération par la fonction GENERE-IMAGE vers un SSP et SSJ GEN-P17 : cas de Génération par la fonction GENERE-IMAGE vers un SSD |
SCR.IMASrvGen | Référence serveur de génération (cas de l’utilisation par la fonction « GENERE-IMAGE ») |
SCR.IMASrvTyp | Type du serveur de génération (cas de l’utilisation par la fonction « GENERE-IMAGE ») : P : Progress J : Serveur de Service Java P17 : Serveur de Service Diapason |
VBP.ModAffDes | Mode Affichage du dessin PI-CD pour dessin issu du Plugin de configuration |
Format de fichier de sortie disponible
Les formats disponibles pour génération de fichiers sont :
Format | Description | SSJ | SSD |
BMP | Bitmap Windows ou OS/2 | ![]() | ![]() |
EMF | Enhanced Meta File | ![]() | ![]() |
JPG | JPEG avec qualité 100% | ![]() | ![]() |
JPG25 | JPEG avec Qualité 25% | ![]() | ![]() |
JPG50 | JPEG avec Qualité 50% | ![]() | ![]() |
JPG75 | JPEG avec Qualité 75% | ![]() | ![]() |
MDP | MetaDraw Picture | ![]() | ![]() |
PNG | Portable NetWork Graphics | ![]() | ![]() |
WMF | Windows Meta File | ![]() | ![]() |